En los circuitos eléctricos, a veces necesitamos un estable voltaje a través de una carga en particular. El voltaje a través de la carga no debe variar debido a los cambios en el voltaje de entrada o debido a la propia carga. Para tales aplicaciones, necesitamos un regulador de voltaje. Hoy vamos a entrar en el meollo de los reguladores de voltaje y vamos a estudiar los diferentes tipos de reguladores de voltaje.
Cuando se requiere una fuente de voltaje confiable, usamos un regulador de voltaje. Tiene un diseño de alimentación muy simple y utiliza bucles de retroalimentación negativa. Consulte el siguiente diagrama para entender más:

El voltaje no regulado entra en el controlador. Una parte de la salida se alimenta al circuito de muestreo, que a su vez la devuelve al circuito comparador. El nivel de tensión se compara con la tensión de referencia. Se hacen las correcciones adecuadas y se envían de vuelta al controlador. De esta manera, el voltaje es regulado.
Diferentes tipos de reguladores de voltaje
Hay principalmente dos tipos de reguladores de voltaje:
- Reguladores de voltaje lineales
- Conmutar los reguladores de voltaje
Reguladores de voltaje lineal
Los reguladores de voltaje lineales funcionan como un divisor de voltaje. Utiliza el FET en la región óhmica. El resistencia del regulador de voltaje lineal cambia con la carga y da una salida de voltaje constante. Abajo hay una foto del LM7805, uno de los populares reguladores de voltaje lineal. Su base es adecuada para aplicaciones de bajo costo y baja potencia.
Hay dos tipos de reguladores de voltaje lineal:
- Regulador de voltaje en serie
- Regulador de tensión de la derivación
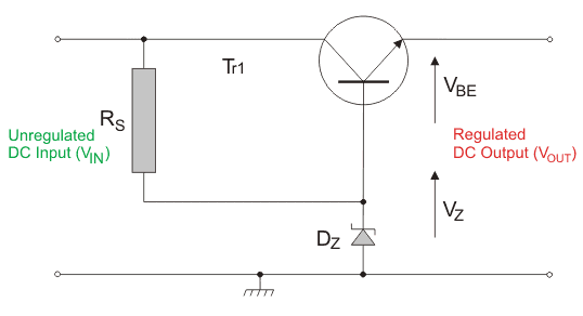
Regulador de voltaje en serie
Un simple regulador de voltaje en serie tiene un elemento variable como un transistor cuya resistencia varía en un voltaje de entrada variable, manteniendo así el voltaje de salida constante y estable.

Regulador de tensión de la derivación
Funciona de manera similar al regulador de voltaje en serie, pero está conectado en el circuito en paralelo o en conexión shunt. Todo el exceso de voltaje se envía a la tierra. Reguladores de voltaje en derivación se utilizan principalmente para limitadores de corriente de precisión, control de voltaje, amplificadores de error, etc.

Para resumir, aquí están los ventajas y desventajas de los reguladores de voltaje lineal
Ventajas de los reguladores de voltaje lineal
- Barato
- Menos interferencia electromagnética y ruido que los reguladores de voltaje de conmutación.
- Proporciona un voltaje de salida constante para aplicaciones de baja potencia
Desventajas de los reguladores de voltaje lineal
- Muy ineficiente
- Necesita un disipador de calor adicional debido a la cantidad de calor generado
- No se puede obtener una salida más alta que la entrada.
Conmutar los reguladores de voltaje
Conmutar los reguladores de voltaje utiliza un interruptor controlado para regular el voltaje, de ahí su nombre. Se utilizan cuando hay una gran diferencia entre la entrada y la salida voltaje. Son más eficientes pero introducen una mayor complejidad en los circuitos.

Al encender los reguladores se encienden y apagan rápidamente para cambiar la salida según el requerimiento. Utilizan transistores que se encienden y apagan dependiendo del nivel de voltaje deseado.
Hay diferentes maneras de utilizar los reguladores de conmutación:
Impulso (step-up)
Esto se utiliza para producir un mayor voltaje de salida regulado, aumentando el voltaje de entrada.

En la imagen de arriba, una entrada de 5V está siendo aumentada a una salida de 12V.
Bucking (bajar)
Esto se utiliza para producir un voltaje de salida regulado más bajo que el de entrada voltaje.

En la imagen de arriba, un 8-40V está siendo bajado a una salida de 5V.
Impulsando/empujando (Invertidor)
En esta configuración, es posible tanto subir como bajar el voltaje de salida regulado. Esto se utiliza si existe la necesidad de aumentar o disminuir el voltaje de salida de vez en cuando. También es posible invertir el voltaje de salida.
Los reguladores de conmutación se utilizan cuando la eficiencia energética es una gran preocupación y cuando se necesita un voltaje de salida más alto o más bajo.
Ventajas de la conmutación de los reguladores de voltaje
- Tiene una mayor eficiencia de conversión de energía que los reguladores de voltaje lineal
- No requiere de los disipadores de calor
- Se puede utilizar cuando hay una gran diferencia entre la entrada y la salida voltaje.
Desventajas de la conmutación de los reguladores de voltaje
- Produce más interferencia electromagnética y ruido.
- Es más complejo.
- Más costoso.