En los primeros días, sólo los convencionales sobre actual los relés se utilizaron para protección de la barra colectora. Pero se desea que la falla en cualquier alimentador o transformador conectado a la barra colectora no debe perturbar el sistema de barras colectoras. Al ver este tiempo, los relés de protección de la barra colectora se hacen largos. Por lo tanto, cuando se producen fallos en la propia barra colectora, se tarda mucho tiempo en aislar la barra colectora de la fuente, lo que puede producir muchos daños en el sistema de bus.
En los últimos días, los relés de protección de distancia de la segunda zona en el alimentador de entrada, con un tiempo de funcionamiento de 0,3 a 0,5 segundos se han aplicado para protección de la barra colectora.
Pero este esquema también tiene una desventaja principal. Este esquema de protección no puede discriminar la sección defectuosa de la barra colectora.
Hoy en día, la energía eléctrica… El sistema se ocupa de una enorme cantidad de energía. Por lo tanto, cualquier interrupción en el sistema total de autobuses causa grandes pérdidas a la compañía. Así que se hace esencial aislar sólo la sección defectuosa de la barra colectora durante la falla de la barra.
Otro inconveniente del esquema de protección de la distancia de la segunda zona es que, a veces, el tiempo de despeje no es lo suficientemente corto como para asegurar la estabilidad del sistema.
Para superar las dificultades mencionadas, el esquema de protección diferencial de barras con un tiempo de funcionamiento inferior a 0,1 segundos, se aplica comúnmente a muchos sistemas de barras de SHT.
Protección diferencial de la barra colectora
Protección diferencial de corriente
El esquema de protección de la barra colectora…involucra, La ley actual de Kirchoffsque establece que la corriente total que entra en un nodo eléctrico es exactamente igual a la corriente total que sale del nodo.
Por lo tanto, la corriente total que entra en una sección del autobús es igual a la corriente total que sale de la sección del autobús.
El principio de la protección diferencial de la barra colectora es muy simple. Aquí, los secundarios de CTs están conectados en paralelo. Eso significa que S1 los terminales de todos los CTs conectados entre sí y forman un cable de bus. De manera similar, S2 terminales de todos los TAC conectados entre sí para formar otro cable de bus.
Un relé de disparo está conectado a través de estos dos cables del bus.

Aquí, en la figura de arriba asumimos que en condiciones normales de alimentación, A, B, C, D, E y F llevan la corriente IA, IB, IC, ID, IE y yoF.
Ahora, de acuerdo con la ley actual de Kirchoffs,

Esencialmente, todos los TC utilizados para la protección diferencial de la barra colectora son de la misma relación de corriente. Por lo tanto, la suma de todas las corrientes secundarias también debe ser igual a cero.
Ahora, digamos que la corriente a través del relé conectado en paralelo con todos los secundarios de CT, es iRy yo…A, iB, iC, iD, iE y yoF son corrientes secundarias.
Ahora, apliquemos KCL en el nodo X. Según KCL en el nodo X,

Por lo tanto, está claro que en condiciones normales no hay flujos de corriente a través de la protección de la barra colectora disparando el relé. Este Relevo se conoce generalmente como Relevo 87. Ahora, digamos que la falla ocurre en cualquiera de los alimentadores, fuera de la zona protegida. En ese caso, la corriente defectuosa pasará por el primario del TC de ese alimentador. Esta corriente de falla es aportada por todos los demás alimentadores conectados al bus. Por lo tanto, parte de la corriente de falla aportada fluye a través del TC correspondiente del alimentador respectivo. Por lo tanto, en esa condición de falla, si aplicamos KCL en el nodo K, todavía tendremos, iR = 0.

Eso significa que, en condiciones de fallo externo, no hay flujo de corriente a través del relé 87. Ahora consideremos una situación en la que la falla se produce en el propio autobús.
En esta condición, también la corriente defectuosa es aportada por todos los alimentadores conectados al autobús. Por lo tanto, en esta condición, la suma de todas las corrientes de falla contribuidas es igual a la corriente total de falla.
Ahora, en el camino defectuoso no hay TC. (en la falla externa, tanto la corriente de la falla como la corriente aportada a la falla por diferentes alimentadores consiguen que el TC esté en su camino de fluir).

La suma de todas las corrientes secundarias ya no es cero. Es igual al equivalente secundario de la corriente defectuosa.
Ahora, si aplicamos KCL en los nodos, obtendremos un valor no cero de iR.
Así que en esta condición la corriente comienza a fluir a través del relé 87 y hace que el viaje de la interruptor de circuito… correspondiente a todos los alimentadores conectados a esta sección de la barra colectora.
Al activarse todos los alimentadores de entrada y salida, conectados a esta sección del autobús, el autobús se muere.
Este esquema de protección diferencial de barra colectora también se conoce como protección diferencial de corriente de barra colectora.
Protección diferencial del bus seccionado
Al explicar el principio de funcionamiento de la protección diferencial de corriente de la barra colectora, hemos mostrado una barra colectora simple no seccionada. Pero en un nivel moderadamente alto voltaje sistema de bus eléctrico seccionado en más de una sección para aumentar la estabilidad del sistema. Se hace porque, la falla en una sección del bus no debe perturbar la otra sección del sistema. Por lo tanto, durante la falla del bus, el bus total se interrumpiría.
Dibujemos y discutamos sobre la protección de la barra colectora con dos secciones.

Aquí, la sección A del autobús o la zona A está delimitada por la TC1…CT…2 y el TAC3 donde la TC1 y el TAC2 son los CT de alimentación y los CT3 es la tomografía del autobús.
Del mismo modo, la sección B del autobús o la zona B está limitada por la TC4…CT…5 y el TAC6 donde la TC4 es el bus CT, CT5 y el TAC6 son la TC de alimentación.
Por lo tanto, las zonas A y B se superponen para asegurar que no quede ninguna zona detrás de este protección de la barra colectora esquema.
Los terminales ASI de CT12 y 3 se conectan entre sí para formar el bus secundario ASI;
Terminales BSI de CT4…5 y 6 se conectan entre sí para formar el bus secundario BSI.
S2 los terminales de todos los TAC se conectan entre sí para formar un bus común S2.
Ahora, el relé de protección de barra colectora 87A para la zona A está conectado a través de la barra colectora ASI y S2.
El relé 87B para la zona B está conectado a través del bus BSI y S2.
Esta sección esquema de protección diferencial de barras opera de alguna manera la protección diferencial de corriente simple de la barra colectora.
Es decir, cualquier fallo en la zona A, con el disparo sólo CB1…CB…2 y el autobús CB.
Cualquier fallo en la zona B, sólo disparará CB5…CB…6 y el autobús CB.
Por lo tanto, la falla en cualquier sección del autobús aislará sólo esa porción del sistema vivo.
En la protección diferencial de corriente de la barra colectora, si los circuitos secundarios de CT, o los cables de la barra colectora están abiertos, el relé puede funcionar para aislar la barra colectora del sistema vivo. Pero esto no es deseable.
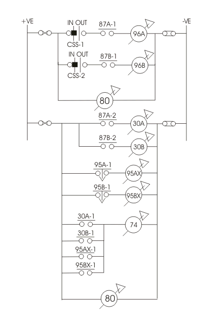
Circuito DC de protección diferencial de la barra colectora
Un típico Circuito de DC para esquema de protección diferencial de barras se da a continuación.

Aquí, el CSSA y el CSSB son dos interruptores de selección que se utilizan para poner en servicio, el protección de la barra colectora para la zona A y la zona B respectivamente.
Si el CSSA está en posición IN, el esquema de protección para la zona A está en servicio.
Si el CSSB está en posición IN, la protección de la zona B está en servicio.
Generalmente ambos interruptores están en posición IN en condiciones normales de funcionamiento. Aquí, las bobinas de relé de 96A y 96B están en serie con el contacto de relé de protección de barra diferencial 87A-1 y 87B-1 respectivamente.
El relé de 96A es un relé de múltiples contactos. Cada disyuntor de la zona A está conectado con un contacto individual de 96A.
De manera similar, el 96B es un relé de múltiples contactos y cada interruptor en la zona B está conectado con contactos individuales de 96B.
Aunque aquí sólo usamos un relé de disparo por zona protegida, pero es mejor usar un relé de disparo individual por alimentador. En este esquema uno relé de protección por cada interruptor de circuito alimentador, mientras que dos relés de disparo, uno para la zona A y otro para la zona B, se proporcionan a la sección de la barra o al interruptor del acoplador de la barra.
En un fallo de intervalo en la zona A o en la sección de la barra A, el respectivo relé de protección de la barra 87A, se activará, mientras que durante un fallo interno en la zona B, se activará el respectivo relé 87B.
Tan pronto como la bobina del relé de 87A o 87B se active, el contacto 87A-1 o 87B-1 se cerrará. Por lo tanto, el relé de disparo 96 disparará los interruptores conectados a la zona defectuosa. Para indicar si la protección de barras de la zona A o B ha sido activada, se utiliza el relé 30.
Por ejemplo, si el relé 87A es operado, el correspondiente No contacto 87A-2 se cierra lo que energizó el relé 30A. Entonces el No contacto 30A-1 del relé 30A se cierra para activar el relé de alarma 74. El relé de supervisión 95 de la zona respectiva también se energiza durante la falla interna, pero tiene un retardo de 3 segundos. Por lo tanto, se restablece tan pronto como se elimina la falla y por lo tanto no recoge el cable del bus de la zona que corta el relé 95x que a su vez corta los cables del bus. También se da un contacto de alarma a este relé auxiliar 95x para indicar qué TC está abierto. No se proporciona un relé 80 de voltios en la sección de disparo y no disparo del circuito de CC del sistema de protección de la barra colectora diferencial para indicar cualquier discontinuidad en el suministro de CC.
Protección diferencial de tensión de la barra colectora
El esquema diferencial de corriente es sensible sólo cuando los TC no se saturan y mantienen la misma relación de corriente, error de ángulo de fase en condiciones de máxima falla. Normalmente no es 80, particularmente en el caso de una falla externa en uno de los alimentadores. El TC del alimentador defectuoso puede estar saturado por la corriente total y, en consecuencia, tendrá errores muy grandes. Debido a este gran error, la suma de la corriente secundaria de todos los TC en una zona particular puede no ser cero. Por lo tanto, puede haber una alta probabilidad de que se disparen todos los interruptores asociados con esta zona de protección, incluso en el caso de una gran falla externa. Para evitar este mal funcionamiento de la corriente diferencial protección de la barra colectoralos 87 relés están provistos de una alta corriente de captación y suficiente tiempo de retardo.
La mayor causa problemática de transformador de corriente La saturación es el componente transitorio de corriente continua de la corriente de cortocircuito.
Estas dificultades pueden superarse mediante el uso de TACs con núcleo de aire. Este transformador de corriente también se llama acoplador lineal. Como el núcleo del TAC no utiliza hierro, la característica secundaria de estos TAC es la línea recta.
En la protección de barras colectoras diferenciales de voltaje, los TC de todos los alimentadores entrantes y salientes se conectan en serie en lugar de conectarlos en paralelo.

Los secundarios de todas las tomografías y relé diferencial forman un bucle cerrado. Si la polaridad de todos los CTs se ajusta correctamente, la suma del voltaje de todos los CTs secundarios es cero. Por lo tanto, no aparecería ningún voltaje resultante a través del relé diferencial. Cuando se produce un fallo en el bus, la suma de los voltajes de todos los secundarios de los TC ya no es cero. Por lo tanto, habría corriente circulando en el bucle debido al voltaje resultante. Como esta corriente de bucle también fluye a través del relé diferencial, el relé funciona para disparar todo el vaso de circuito asociado a la zona de la barra colectora protegida. Excepto cuando la corriente de falla a tierra está limitada severamente por la impedancia del neutro, normalmente no hay problema de selectividad cuando existe tal problema, se resuelve mediante el uso de un equipo de retransmisión adicional más sensible que incluye un relé de protección de supervisión.