Durante el debate sobre diversos temas de electrónica digital hemos conocido varios tipos de puertas lógicas y su diseño y métodos de operación. Ahora discutiremos sobre el término Despliéguense. que está relacionado con las puertas lógicas que significa Abanico de Puertas Lógicas. Ahora es un fenómeno muy común cuando la salida de una puerta lógica está conectada con varias entradas de otras puertas lógicas.
Pero hay un límite en el número máximo de entradas alimentadas desde la salida de una sola puerta lógica, no puede ser cualquier número. El número depende de la actual de la puerta lógica y la capacidad de hundimiento actual está determinada por la salida cuando ésta es alta. Y también depende de los requisitos de las entradas que deben conectarse con la salida de la puerta lógica.


Podemos ilustrar el punto más adelante con un ejemplo y el diagrama de arriba.
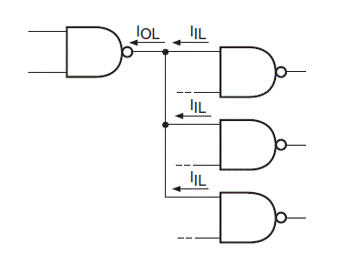
Supongamos que la actual capacidad de abastecimiento de un Puerta NAND es que yoOH cuando la salida de ella está en lógica alta y las entradas de las puertas lógicas que se alimentan de la salida de esta puerta lógica es IIH. Podemos ver esto en el diagrama también. Ahora el número máximo de entradas que esta salida de la puerta lógica podrá manejar es IOH/ IIH. Esto será aplicable cuando la salida esté en estado alto. Ahora considerando el caso cuando la salida está en el estado de lógica BAJA, entonces tomemos la máxima capacidad de hundimiento de la corriente como IOL. Y entonces, al igual que la anterior, la corriente de hundimiento que se alimenta a todas las entradas conectadas de varias puertas lógicas es…IL. Vamos a mostrar esto en el siguiente diagrama.


Ahora, para este caso, el número máximo de accionamientos de entrada que serán accionados por la salida de esa puerta lógica será igual a IOL / IIL. Así que hemos encontrado que el máximo número de entradas de puertas lógicas que pueden ser alimentadas desde la salida de una sola puerta lógica será IOH / IIH cuando la lógica es alta y será yoOL / IIL cuando la lógica está en un estado bajo.
Así que el número de entradas de la puerta lógica que puede ser impulsado desde la salida de una sola puerta lógica se denomina Abanico de puertas lógicasla única condición es que no debe haber ninguna salida falsa. Es una característica muy importante de las puertas lógicas de electrónica digital ya que ayuda en el diseño de varias puertas de circuito.
Ahora, en muchos casos los valores de IOH/IIH y IOL / IIL son diferentes, en ese caso el más pequeño de los dos se toma como Fan Out of Logic Gates y todos los cálculos se hacen en base a ese valor.

Las dos figuras anteriores muestran el diagrama de circuito real de un circuito donde la salida de un Puerta NAND que pertenece a un TTL estándar (Lógica de transistores) la familia lógica alimenta las entradas de varias puertas NAND que pertenecen a la misma familia lógica.
La primera cifra es para el estado cuando la lógica es alta y la segunda cifra es durante el estado lógico bajo. Para el estándar TTL los dispositivos de la familia de la máxima corriente de salida de alto estado y la máxima entrada de alto estado actual son 400 mu A y 40 mu A respectivamente. Los mismos valores para el estado bajo son 16 A y 1,6 A respectivamente. Hemos hablado de los TTL en otro artículo.