Siempre hay una corriente de carga significativa que fluye desde el conductor a la tierra en la red eléctrica subterránea de alto y medio voltaje. Esto se debe al aislamiento dieléctrico entre la tierra y el conductor en los cables subterráneos. Durante una falla a tierra en cualquier fase, en un sistema trifásico de este tipo, la corriente de carga del sistema se convierte idealmente en tres veces más que la corriente de carga nominal por fase. Esta mayor corriente de carga se reestablece y pasa a tierra a través de un punto defectuoso, causando un arco eléctrico allí. Para minimizar la gran corriente de carga capacitiva durante la falla a tierra, se conecta una bobina inductiva desde el punto de la estrella a la tierra. La corriente creada en esta bobina durante la falla es opuesta a la corriente de carga del cable en el mismo instante, por lo que neutraliza la corriente de carga del sistema durante. Esta bobina de inductancia adecuada se conoce como Bobina de supresión de arco o Bobina Petersen.
El voltajes de un sistema equilibrado de tres fases se muestra en la figura 1.

En la red de cables subterráneos de alta y media tensión, siempre hay una capacidad entre director y la tierra en cada fase. Por eso siempre hay una corriente capacitiva de fase a tierra. En cada fase, la corriente capacitiva conduce el correspondiente voltaje de fase en un 900 como se muestra en la figura 2.

Ahora supongamos que hay una falla en la tierra en la fase amarilla del sistema. Lo ideal sería que el voltaje de la fase amarilla que es el voltaje de la fase amarilla a la tierra se convierta en cero. Así, el punto nulo del sistema se desplaza en la punta del vector de la fase amarilla, como se muestra en la figura-3, a continuación. Como resultado, el voltaje en fases sanas (rojo y azul) se convierte en &sqrt;3 veces del original.

Naturalmente, la corriente capacitiva correspondiente en cada fase sana (rojo y azul) se convierte en &sqrt;3 del original como se muestra en la figura-4, a continuación.

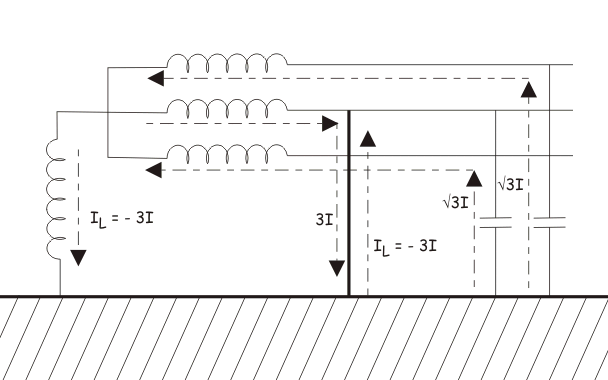
La suma vectorial resultante de estas dos corrientes capacitivas será ahora 3I, donde se toma I como corriente capacitiva nominal por fase en el sistema equilibrado. Esto significa que, en una condición saludable y equilibrada del sistema, IR = IY =
IB = I.
Esto se ilustra en la figura 5, más abajo,

Esta corriente resultante fluye entonces a través del camino defectuoso hacia la tierra como se muestra a continuación.

Ahora, si conectamos una bobina inductiva de un adecuado inductancia (generalmente se utiliza un inductor de núcleo de hierro) entre el punto estelar o el punto neutro del sistema y la tierra, el escenario cambiará por completo. En una condición defectuosa, el actual a través del inductor justo igual y opuesto en magnitud y fase al de la corriente capacitiva a través del camino defectuoso. La corriente inductiva también sigue el camino defectuoso del sistema. La corriente capacitiva y la inductiva se cancelan mutuamente en el camino defectuoso, por lo que no habrá ninguna corriente resultante a través del camino defectuoso creado debido a la acción capacitiva del cable subterráneo. La situación ideal se ilustra en la siguiente figura.

Este concepto fue implementado por primera vez por W. Petersen en 1917, por lo que se utiliza la bobina inductora para este propósito, llamada Bobina Petersen.
El componente capacitivo de la corriente de falla es alto en el sistema de cableado subterráneo. Cuando se produce una falla a tierra, la magnitud de esta corriente capacitiva a través de la trayectoria de la falla se convierte en 3 veces más que la corriente capacitiva nominal de fase a tierra de la fase sana. Esto provoca un desplazamiento significativo del cruce por cero de actual lejos del cruce de voltaje cero en el sistema. Debido a la presencia de esta alta corriente capacitiva en la trayectoria de la falla terrestre habrá una serie de reajustes en la ubicación de la falla. Esto puede conducir a una sobretensión no deseada en el sistema.
La inductancia de la bobina de Petersen se selecciona o ajusta a un valor tal que provoca la corriente inductiva que puede neutralizar exactamente la corriente capacitiva.
Calculemos la inductancia de la bobina de Petersen para un sistema subterráneo trifásico.
Para ello consideremos la capacitancia entre director y la tierra en cada fase de un sistema, es C farad. Entonces la corriente de fuga capacitiva o corriente de carga en cada fase será

Así que, la corriente capacitiva a través del camino de la falla durante la falla de una sola fase a tierra es

Después de la falla, el punto estelar tendrá voltaje de fase, ya que el punto nulo se desplaza al punto de falla. Así que el voltaje aparece a través de la inductor es Vph. Por lo tanto, el inductivo actual a través de la bobina es

Ahora, para la cancelación de la corriente capacitiva de valor 3I, IL debe tener la misma magnitud pero 180o …separados eléctricamente. Por lo tanto,

Cuando el diseño o la configuración (en longitud y/o sección transversal y/o grosor y calidad del aislamiento) del sistema cambia el inductancia de la bobina debe ser ajustado en consecuencia. Es por eso que a menudo la bobina de Petersen está provista de un arreglo de cambio de derivación.